保護協調
六月
3
作者:
2019/6/3 上午 10:45
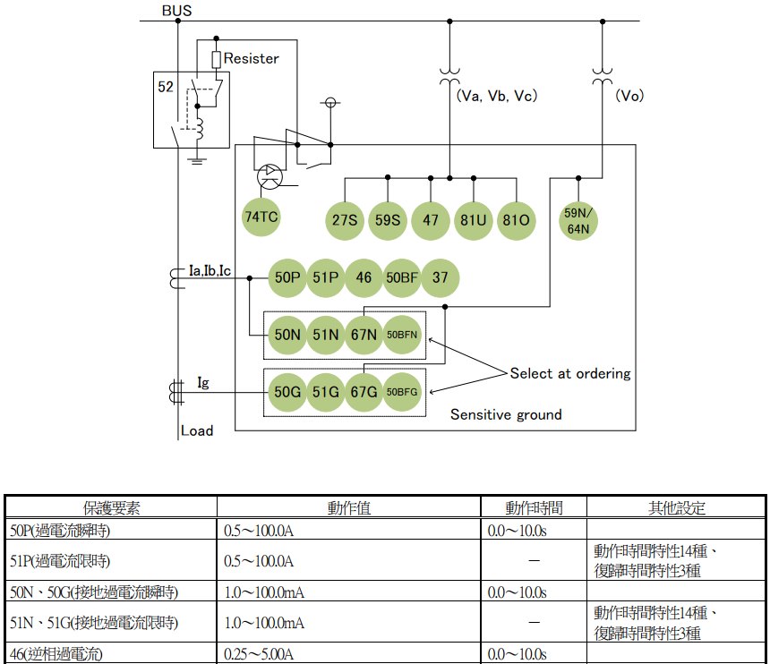
高壓系統的保護設備是由斷路器,比流器和保護電驛所組成。

比流器將大電流(一次側電流)轉換成小電流(二次側電流),然後輸入至保護電驛。如果二次側電流超過起始動作電流,並經過一段時間後,保護電驛就會向斷路器發出跳脫信號,以啟斷電流。
動作電流與動作時間的關係所繪製的曲線稱為跳脫曲線(TCC,Time Current Curve),從曲線特性可知動作電流與動作時間是成反比關係,稱為反時性,也就是電流越大,跳脫的時間越短。
如上圖所示,當過載電流超過額定電流的6倍,持續0.7秒後將對斷路器觸發跳脫信號;若過載電流持續增加達到額定電流的8倍時,將縮短至0.4秒後便對斷路器觸發跳脫信號。我們可應用這種反時特性來確保與上一級保護電驛之間動作時間的協調,預留一段時間裕度,稱之為〝保護協調〞。也就是接近故障點(負載側)的保護電驛應先動作,當超過預留的時間裕度仍未動作時,接著由上一級保護電驛(電源側)動作,以迅速而且只啟斷故障線路和設備,隔離最小的故障區域。
單電源高壓兩分路

已知系統條件:
台電進線採架空線路,契約容量為5000 KW,高壓電源3∮3W 11.4 KV
高壓變壓器:
TR-1:額定容量2500 KVA,一次強迫風冷倍數:1,∆-Y中性點接地,突入電流倍數:6,阻抗Z:6%,二次側電壓S:380 - 220
TR-2:額定容量2000 KVA,一次強迫風冷倍數:1,∆-Y中性點接地,突入電流倍數:6,阻抗Z:6%,二次側電壓S:220
保護電驛:三菱MELPRO-D系列數位保護電驛

保護要素 51P / 50P(過電流限時 + 過電流瞬時),過電流保護
51N / 50N(接地過電流限時 + 接地過電流瞬時),接地故障保護

反限時特性
支援多個不同標準和類型等14種反限時曲線
同一分支的所有保護設備之間需要保有時間上的協調,以組成有〝選擇性〞的保護系統。例如TR1發生故障時,HVCB-1須先行跳脫,HVCB-M不動作,TR2(相鄰的其他分支)的供電應不受影響,因此必須將HVCB-1(下游分路斷路器)的保護電驛的動作時間設定比HVCB-M(上游主斷路器)的保護電驛的動作時間要快一點並保持0.1至0.3秒的時間裕度,也就是在HVCB-M的保護電驛動動之前,HVCB-1已先行清除故障。
試完成下列事項:
- 繪製台電電力熔絲曲線
- 繪製變壓器破壞曲線和激磁電流點
- 變壓器過電流及接地短路保護
- 比流器規格,包括電壓等級、一次二次匝比和精度
- 保護電驛相關設定,包括過電流保護50P/51P CO與接地過電流保護50N/51N LCO,並繪製時間-電流曲線
台電責任分界點保護
台電使用熔絲鏈做為責任分界點之保護設備,可依線路類型和契約容量得知熔絲鏈容量,如下表所示:
| 線路類型 |
契約容量 |
熔絲鏈容量 |
| 架空線路 |
100 KW ∼ 150 KW
151 KW ∼ 250 KW
251 KW ∼ 600 KW
601 KW ∼ 1000 KW
1001 KW 以上 |
15 T
25T
40 T
65 T
DS |
| 地下配電線路(11.4 KV) |
100 KW ∼ 600 KW
601 KW ∼ 1000 KW
1001 KW ∼ 2000 KW
2001 KW 以上 |
NX 40 A
PF 65 E
PF 125 E
LBS 600 A |
| 地下配電線路(22.8 KV) |
100 KW ∼ 1200 KW
1201 KW ∼ 2000 KW
2001 KW ∼ 4000 KW
4001 KW 以上 |
NX 40 A
PF 65 E
PF 125 E
LBS 600 A |
| 自動化開關(11.4 KV) |
2000 KW ∼ 4000 KW
4000 KW 以上 |
200A CB
600A CB |
| 自動化開關(22.8 KV) |
4000 KW ∼ 6000 KW
6000 KW 以上 |
200A CB
600A CB |
請詳參:高壓用戶責任分界點開關或保護設備選用原則。
已知台電高壓引進電源,供電方式3∮3W,系統電壓 11.4 KV,架空線路,契約容量5000KW,故選用DS熔絲鏈,時間-電流曲線如下所示:
| 延時(Sec) |
0.35 |
1 |
3 |
7 |
10 |
| 電流(A) |
3000 |
1600 |
1000 |
800 |
700 |
變壓器之破壞曲線及激磁電流點
計算額定電流
一次側額定電流 = (一次強迫風冷容量倍數 × 強迫風冷容量) ÷ (√3 × 系統電壓) = 1 × 2500 ÷ (√3 × 11.4) = 126.6 A
激磁電流點
INRUSH電流 = 突入電流倍數 × 額定電流 = 6 × 126.6 = 759.6 A,時間 = 0.1(S)。
破壞曲線
當 Δ - Δ 時,ANSI電流 = 倍數 × 額定電流 × 0.866(A);Δ - Y 時,ANSI電流 = 倍數 × 額定電流 × 0.577,其他結線方式,ANSI電流 = 倍數 × 額定電流(A)。
時間 = 2(S),ANSI電流 = 25 × 126.6 × 0.577 = 1828.2(A)
時間 = 3(S),ANSI電流 = 20 × 126.6 × 0.577 = 1461(A) … 依此類推
時間-電流曲線如下所示:

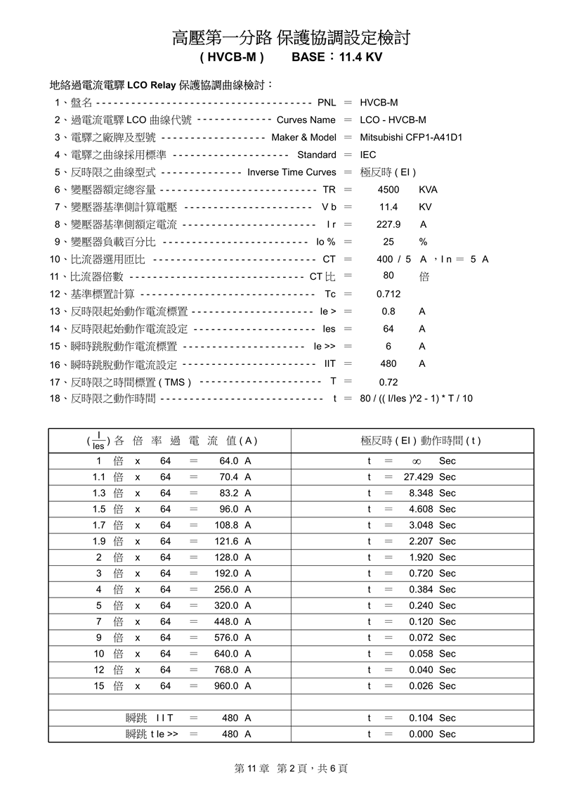
變壓器過電流及接地短路保護
HVCB-M 主斷路器(後衛保護)
比流器CT選用匝比
CT一次側電流須大於等於1.2 ~ 1.5倍額定電流,即依1.2 ~ 1.5倍的變壓器額定電流來選擇CT的一次電流
已知系統電壓為11.4 KV,變壓器容量為4500 KVA(TR-1之2500 + TR-2之2000),則一次側額定電流 = 4500 / (√3 * 11.4)= 227.9 A
1.2倍的一次側額定電流= 227.9 A * 1.2 = 273.48 A,1.5倍 = 227.9 A * 1.5 = 341.85 A
若CT一次側接頭為單比時,則一次側電流可選擇300或者400;若CT一次側接頭為雙比時,則一次側電流可選擇300(11.4 KV)- 150(22.8 KV),320(11.4 KV)- 160(22.8 KV)或者400(11.4 KV)- 200(22.8 KV)
CT二次側電流通常為5 A或者1 A
此處依1.5倍選擇比流匝比為400 / 5,電壓等級須大於系統電壓,選擇12 KV,精度為5P20
過電流保護50P/51P CO
反時限之採用標準及曲線類型為IEC 極反時(EI),曲線方程式如下所示:
t =(80 /((I/Is)2 -1))/ 10 * TMS
反時限起始動作電流標置(I>):
通常CO標置為額定電流的1.25 ~ 1.5倍(即負載百分比 L %,倍數越低,靈敏度越高),也就是超過此動作電流設定時,便被視為過載電流,51P電驛將起始動作。
使用下列計算公式,換算成電流倍數或CT二次側電流,也就是I >大於等於此值,稱為標置基準TC:
- 反時限起始動作電流標置依電流倍數設定,例如Schneider Sepam系列 I > = 0.1~2.4 In (Step:0.01)
TC = (變壓器額定容量KVA * L%)/ (√3 * 一次側電壓 * CT一次側電流)
- 反時限起始動作電流標置依電流值設定,例如TOYO TDOG系列 I > = 0.2~25A (Step:0.1 A)
TC = (變壓器額定容量KVA * L%)/ (√3 * 一次側電壓 * CT匝比)
設定L% = 150%,表示1.5倍的額定電流為過載電流。因為三菱MELPRO-D系列數位保護電驛係依電流值設定,故TC採公式2計算之。
變壓器一次側額定電流為 4500 / 1.732 / 11.4 = 227.9 A,標置基準計算TC = 227.9 A * 1.5 / (400/5) = 227.9 A / 80 = 4.2735 A
此處I> 設定需大於等於標置基準TC = 4.2735 A,故可選擇4.3 A,其中I > 設定範圍:0.5 ~ 100 A,Step:0.1,反時限起始動作電流設定Is = 4.3 * 80 = 344 A
反時限之時間標置(TMS):
TMS時間標置用於設定電驛動作時間,並與上下游保護曲線之間保持動作時間上的協調。
電驛動作時間與曲線標準與類型有關,此處採用IEC 極反時(EI),電驛動作時間與動作電流的關係,可表示為下列的曲線方程式:
t =(80 /((I/Is)2 -1))/ 10 * TMS
其中TMS為時間倍數(Time Setting Multiplier),電驛動作時間=(80 /((I/Is)2 -1))/ 10,實際電驛動作時間 t = 電驛動作時間 * TMS
如上圖所示,紅線為電驛動作時間-電流曲線(TMS = 1),當電流為1000 A時,保護電驛的動作時間為0.45秒,我們可以將TMS設為9,使其動作時間延後至4秒,如上方粉紅線所示(TMS = 9),或者將TMS設為0.25,使其動作時間提前至約0.1秒,如下方橘線所示(TMS = 0.25)。
請調整TMS時間標置設定實際電驛動作時間,並與上下游保護曲線之間保持至少0.3秒的時間裕度,此處設定為0.72。
瞬跳動作電流標置(I>>):
50P瞬時電驛的標置原則為瞬跳動作電流IIT須小於最小故障電流,且必須在0.1秒(6週期)清除故障。
實際電驛動作時間
t =(80 /((I/Is)2 - 1))/ 10 * TMS= (80 /((IIT/344)2 - 1))/ 10 * 0.72 = 0.1秒
故 IIT = 2608,I>> = 2608 / 80 = 32.6 A
TR-1變壓器一次側故障電流= 2500 / (0.06 * √3 * 11.4)= 2110 A,TR-2變壓器一次側故障電流= 2000 /(0.06 * √3 * 11.4) = 1688.16 A,取最小故障電流= 2110 + 1688.16 = 3798.16A 大於瞬跳動作電流IIT = 2608 A ... OK!
接地過電流保護50N/51N LCO
反時限之採用標準及曲線類型為IEC 極反時(EI),曲線方程式如下所示:
t =(80 /((I/Is)2 -1))/ 10 * TMS
反時限起始動作電流標置(Ie>):
通常LCO標置為額定電流的0.25倍(即負載百分比 L %,倍數越低,靈敏度越高),也就是超過此動作電流設定時,便被視為過載電流,51N電驛將起始動作。
標置基準計算TC,三菱MELPRO-D系列數位保護電驛係依電流值設定,故
TC = (變壓器額定容量KVA * L%)/ (√3 * 一次側電壓 * CT匝比)
= (4500 * 0.25)/(√3 * 11.4 * (400/5))= 1125 /(√3 * 11.4 * 80)= 0.712 A
其中LCO之L%為25%。
此處Ie> 設定需大於等於標置基準TC = 0.712 A,,故Ie> = 0.712,故可選擇0.8 A,其中I e> 設定範圍:0.1 ~ 100 A,Step:0.1,反時限起始動作電流設定Is = 0.8 * 80 = 64 A
反時限之時間標置(TMS):
請調整TMS時間標置設定實際電驛動作時間,並與上下游保護曲線之間保持至少0.3秒的時間裕度,此處設定為0.72。
瞬跳動作電流標置(Ie>>):
50N瞬時電驛的標置原則為瞬跳動作電流須小於最小故障電流,且必須在0.1秒(6週期)清除故障。
實際電驛動作時間
t =(80 /((I/Is)2 - 1))/ 10 * TMS= (80 /((IIT/64)2 - 1))/ 10 * 0.72 = 0.1秒
故IIT = 480,I>> = 480 / 80 = 6 A
時間-電流曲線如下所示:
高壓第一分路保護協調檢討


HVCB-1 第一分路斷路器
比流器CT選用匝比
CT一次側電流須大於等於1.2 ~ 1.5倍額定電流,即依1.2 ~ 1.5倍的變壓器額定電流來選擇CT的一次電流
已知系統電壓為11.4 KV,變壓器容量為2500 KVA(TR-1),則一次側額定電流 = 2500 / (√3 * 11.4)= 126.6 A
1.5倍的一次側額定電流= 126.6 A * 1.5 = 189.9 A
若CT一次側接頭為單比時,則一次側電流可選擇200;若CT一次側接頭為雙比時,則一次側電流可選擇200(11.4 KV)- 100(22.8 KV)
CT二次側電流通常為5 A或者1 A
此處依1.5倍選擇比流匝比為200 / 5,電壓等級須大於系統電壓,選擇12 KV,精度為5P20
過電流保護50P/51P CO
反時限之採用標準及曲線類型為IEC 極反時(EI),曲線方程式如下所示:
t =(80 /((I/Is)2 -1))/ 10 * TMS
反時限起始動作電流標置(I>):
通常CO標置為額定電流的1.25 ~ 1.5倍(即負載百分比 L %,倍數越低,靈敏度越高),也就是超過此動作電流設定時,便被視為過載電流,51P電驛將起始動作。
標置基準計算TC公式:
TC = (變壓器額定容量KVA * L%)/ (√3 * 一次側電壓 * CT匝比)
= 2500 * 1.5 / (√3 * 11.4 * (200/5))= 4.748
其中CO之L % = 150 %
此處I> 設定需大於等於標置基準TC = 4.748 A,故可選擇4.8 A,其中I > 設定範圍:0.5 ~ 100 A,Step:0.1,反時限起始動作電流設定Is = 4.8 * 40 = 192 A
反時限之時間標置(TMS):
TMS時間標置用於設定電驛動作時間,並與上下游保護曲線之間保持動作時間上的協調,此處設定為0.6。
瞬跳動作電流標置(I>>):
50P瞬時電驛的標置原則為瞬跳動作電流IIT須小於最小故障電流,且必須在0.1秒(6週期)清除故障。
實際電驛動作時間
t =(80 /((I/Is)2 - 1))/ 10 * TMS= (80 /((IIT/188)2 - 1))/ 10 * 0.6 = 0.1秒
故 IIT = 1324,I>> = 1324 / 40 = 33.1 A
TR-1變壓器一次側故障電流= 2500 / (0.06 * √3 * 11.4)= 2110 A 大於瞬跳動作電流 IIT= 1324 A ... OK!
接地過電流保護50N/51N LCO
反時限之採用標準及曲線類型為IEC 極反時(EI),曲線方程式如下所示:
t =(80 /((I/Is)2 -1))/ 10 * TMS
反時限起始動作電流標置(Ie>):
通常LCO標置為額定電流的0.25倍(即負載百分比 L %,倍數越低,靈敏度越高),也就是超過此動作電流設定時,便被視為過載電流,51N電驛將起始動作。
標置基準計算TC,三菱MELPRO-D系列數位保護電驛係依電流值設定,故
TC = (變壓器額定容量KVA * L%)/ (√3 * 一次側電壓 * CT匝比)
= (2500 * 0.25)/(√3 * 11.4 * (200/5))= 625 /(√3 * 11.4 * 40)= 0.791 A
其中LCO之L%為25%。
此處Ie> 設定需大於等於標置基準TC = 0.797 A,故可選擇0.8 A,其中I e> 設定範圍:0.1 ~ 100 A,Step:0.1,反時限起始動作電流設定Is = 0.8 * 40 = 32 A
反時限之時間標置(TMS):
請調整TMS時間標置設定實際電驛動作時間,並與上下游保護曲線之間保持至少0.3秒的時間裕度,此處設定為0.72。
瞬跳動作電流標置(Ie>>):
50N瞬時電驛的標置原則為瞬跳動作電流須小於最小故障電流,且必須在0.1秒(6週期)清除故障。
實際電驛動作時間
t =(80 /((I/Is)2 - 1))/ 10 * TMS= (80 /((IIT/32)2 - 1))/ 10 * 0.72 = 0.1秒
故IIT = 244,I>> = 244 / 40 = 6.1 A
時間-電流曲線如下所示:

保護協調標置一覽表
